
EN
— 產品中心 —
全國服務電話 075528990558 地址:深圳市龍崗區南聯向銀路71號匯川科技園華鵬艾偉大廈A棟
HP40S是華鵬艾偉生產的一款4KW雙擺焊接頭型號,HP40S以光纖激光器為光源,在受控距離下在平面機床上對金屬進行焊接,所有媒介連接都內置于激光頭內!本激光頭焊接精準,耐用,便于維護而……
產品詳情
HP40S是華鵬艾偉生產的一款4KW雙擺焊接頭型號,HP40S以光纖激光器為光源,在受控距離下在平面機床上對金屬進行焊接,所有媒介連接都內置于激光頭內!本激光頭焊接精準,耐用,便于維護而且易于調整。


HP40S功能介紹
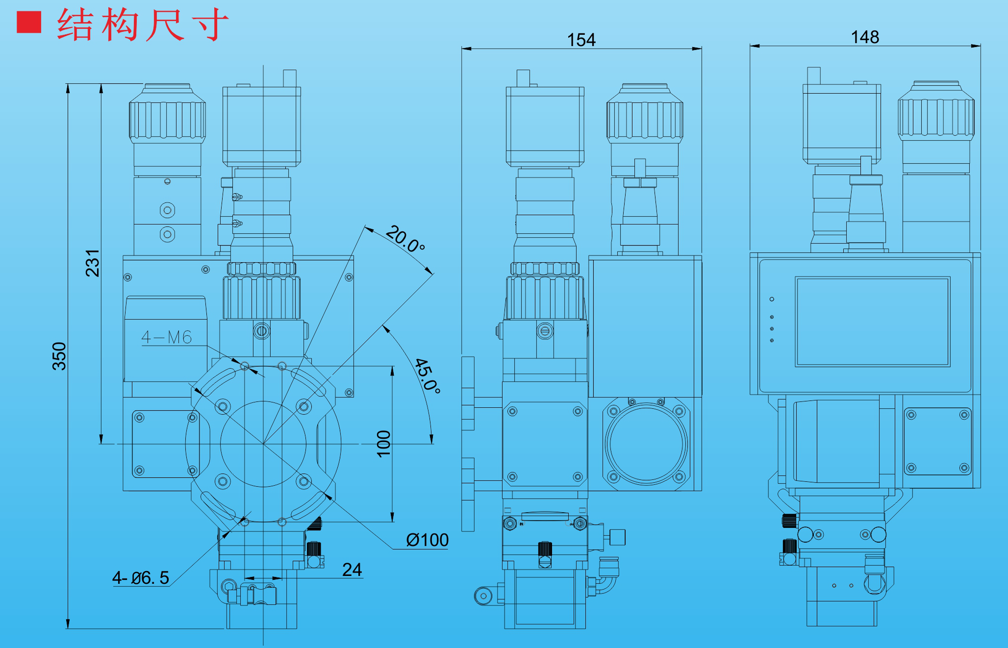
組件簡介
1. QBH組件
與激光器光纖連接的核心連接器,提供行業標準的光纖接入口。
2. 航空插頭
給整個電機及驅動板供電。
3. 冷卻水箱
給整個焊接頭提供散熱,使焊接頭保持合理的溫度。
4. XY振鏡電機振鏡組件
采用電機驅動X、Y軸振鏡片,具有多種擺動模式,擴大焊縫的面積,允許工件有不規則焊縫、更大間隙。
5. CCD組件
提供過濾光源,為CCD提供安全、可靠、真實的光源,包括相機、鏡頭、相機調節機構。
6. 聚焦、準直組件
聚焦組件裝配于激光頭內,包含聚焦鏡片組、準直鏡片組、墊圈、鎖緊彈圈和鏡片降溫的水冷系統。
7. 保護鏡組件
使焊渣不能直接飛濺到聚焦鏡片上,保護并延長聚焦鏡片的使用時間。
8. 風刀組件
將反彈的焊渣吹走,為保護鏡提供保護。
9. 風刀、同軸吹組件
將反彈的焊渣吹走,為保護鏡提供保護。
10.顯示屏組件
提供參數控制,設定擺動模式、大小、頻率及原點補償功能。
HP40S產品特性:
A. 此焊接頭在不銹鋼、鋁合金焊接,中功率焊接應用方面有很強優勢是一款經濟高效的焊接頭。
B. 焊接頭采用電機驅動X、Y軸振鏡片,具有多種擺動模式,且擺動焊接允許工件有不規則焊接、更大間隙等加工參數可以顯著提高焊接質量。
C. 焊接頭內部結構完全密封,可以避免光學部分受到灰塵污染。
D. 配有氣簾和同軸部件,減少焊接煙塵和飛濺殘渣對鏡片的污染。
E. 保護鏡片采用抽屜式結構,更換方便。
F. 可配各種帶 QBH 接頭激光器。
G. 驅動器、控制主板和振鏡電機在一起,減少干擾,僅需一根電源線即可完成所有接線。
H. 焊接頭上自帶觸摸屏,較好的人機操控體驗。
以上只是雙擺焊接頭 4KW激光焊接頭簡單介紹,如需要更詳細的雙擺焊接頭 4KW激光焊接頭資料信息,請聯系華鵬艾偉對應銷售人員。
相關推薦
華鵬艾偉是一家專業的激光打標機配件、激光焊接機配件、激光切割機配件等激光全套配件綜合解決方案品牌供應商和批發商!
地址:深圳市龍崗區南聯向銀路71號匯川科技園華鵬艾偉大廈A棟 TEL:0755-28990558